Municipal

FEATURED PROJECTS

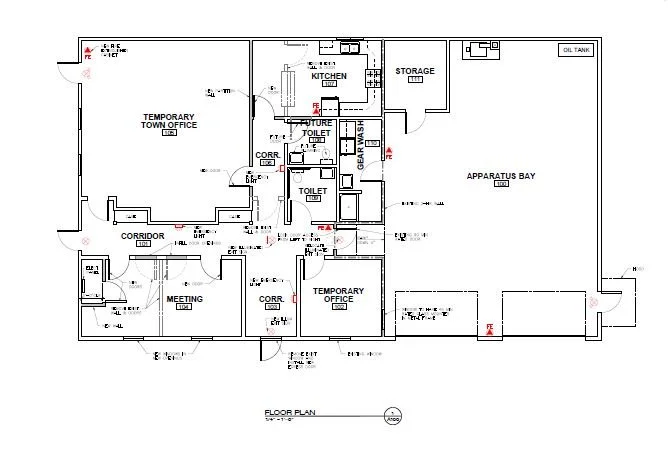
AUGUSTA FIRE NORTH STATION

BANGOR TRANSIT CENTER

CARIBOU POLICE DEPARTMENT

Related projects


  • Project/Focus

    Location

    General Description

  • Project/Focus

    Location

    General Description

  • Project/Focus

    Location

    General Description

  • Project/Focus

    Location

    General Description

  • Project/Focus

    Location

    General Description

  • Project/Focus

    Location

    General Description

  • Project/Focus

    Location

    General Description

  • Project/Focus

    Location

    General Description

Previous
Previous

Commercial

Next
Next

Historic